- Sie befinden sich hier:
- Produktgruppen
- HEIZUNG
- KLIMA- UND LÜFTUNGS…
- Maico Radial-Rohrve…
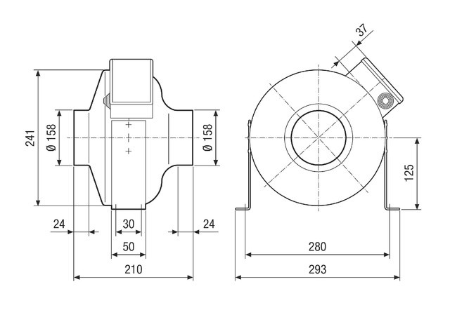
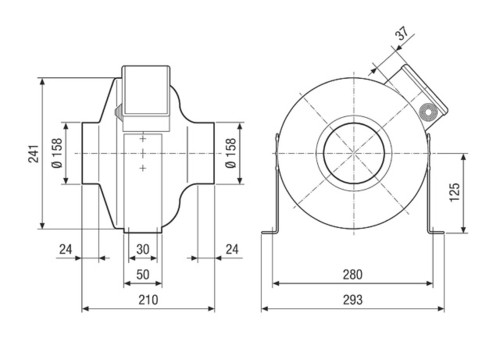
Maico Radial-Rohrventilator ERR 16/1 DN 160, Wechselstrom
10818975
0080.0273
auf Anfrage
je 1 STCK
Preis und Verfügbarkeiten nach Anmeldung
Verfügbarkeit beim Hersteller:
Folgeartikel
Dieser wird automatisch Ihrem Warenkorb hinzugefügt.
Funktionen
Verfügbarkeit beim Hersteller
Die Verfügbarkeit wird beim Hersteller angefragt. Bitte haben Sie noch kurz Geduld.
Verkaufsdaten
| Mindestbestellmenge | 1 STCK |
| Bestellschritt | 1 STCK |
Beschreibung
aus pulverbeschichtetem Stahlblech, einsetzbar für Industrie-und Wohnbauinstallationen, Radiallaufrad mit rückwärtsgekrümmten Schaufeln, geräuscharm und druckstark, für direkten Einbau zwischen Rohrleitungen, je nach Einbaulage für Be- oder Entlüftung, runde Anschlussstutzen saug-und druckseitig auf Norm-Rohre abgestimmt, Befestigungsfuß als Zubehör lieferbar, Förderrichtung: Förder- und Drehrichtung durch Pfeile gekennzeichnet, Motor: Außenläufer-Kondensatormotor, Betriebskondensator anschlussfertig im Klemmenkasten, Drehzahlsteuerbar, thermischer Überlastungsschutz, (Temperaturfühler in Motorwicklung), serienmäßig, der Überlastungsschutz schaltet den Ventilator bei Überhitzung automatisch ab, Motor mit Kugellager, wartungsfrei, Schutzart IP X4 bei Einbau in Lüftungsleitungen mit mindestens 1 m Rohr auf der Saug- und Druckseite, Montagehinweise: Einbau in jeder Lage möglich, zur Vermeidung von Schwingungsübertragungen auf das Rohrsystem optionale elastische Manschetten ELR verwenden, Elektrischer Anschluss: außenliegender Klemmenkasten mit Kabeleinführungstülle, Sicherheitshinweise: Ventilator bei freier Ansaugung oder Ausblasung nur in Betrieb nehmen, wenn der Berührungsschutz des Flügelrades gemäß DIN EN ISO 13857 gewährleistet ist, dazu optionales Schutzgitter SGR anbringen
Ausschreibungstext
Merkmale
| Produktklasse | Ventilator für Rohreinbau |
| Länge | 210 mm |
| Internet Link | https://www.maico-ventilatoren.com/artikelsuche/typ/0080.0273/ |
| Werkstoff des Gehäuses | Edelstahl |
| Schutzart (IP) | IPX4 |
| Durchmesser | 250 mm |
| Gehäusedurchmesser | 250 mm |
Videos
Exposés
Dokumente
Informationen nach Bauphase
Variante: Maico Radial-Rohrventilator, Wechselstrom
Maico
Maico
Dimension:
ERR 10/1 S DN 100, starke Ausführung
Dimension:
ERR 16/1 S DN 160, starke Ausführung
Weitere Verkaufsdaten
Zubehörempfehlung für Sie:
Preis und Verfügbarkeiten nach Anmeldung
auf Anfrage
je 1 STCK
Preis und Verfügbarkeiten nach Anmeldung
auf Anfrage
je 1 STCK
Preis und Verfügbarkeiten nach Anmeldung
auf Anfrage
je 1 STCK
Preis und Verfügbarkeiten nach Anmeldung
auf Anfrage
je 1 STCK
Preis und Verfügbarkeiten nach Anmeldung
auf Anfrage
je 1 STCK
Preis und Verfügbarkeiten nach Anmeldung
auf Anfrage
je 1 STCK
Preis und Verfügbarkeiten nach Anmeldung
auf Anfrage
je 1 STCK
Preis und Verfügbarkeiten nach Anmeldung
auf Anfrage
je 1 STCK
Preis und Verfügbarkeiten nach Anmeldung
auf Anfrage
je 1 STCK
Preis und Verfügbarkeiten nach Anmeldung
auf Anfrage
je 1 STCK
Preis und Verfügbarkeiten nach Anmeldung
auf Anfrage
je 1 STCK
Preis und Verfügbarkeiten nach Anmeldung
auf Anfrage
je 1 STCK
Elektro-Lufterhitzer, DN 160, Drehstrom MA00820105
Preis und Verfügbarkeiten nach Anmeldung
auf Anfrage
je 1 STCK
Preis und Verfügbarkeiten nach Anmeldung
auf Anfrage
je 1 STCK
Preis und Verfügbarkeiten nach Anmeldung
auf Anfrage
je 1 STCK
Preis und Verfügbarkeiten nach Anmeldung
auf Anfrage
je 1 STCK
Preis und Verfügbarkeiten nach Anmeldung
auf Anfrage
je 1 STCK
Preis und Verfügbarkeiten nach Anmeldung
auf Anfrage
je 1 STCK
Automatische Rohr-Verschlussklappe, DN 160 MA00930008
Preis und Verfügbarkeiten nach Anmeldung
auf Anfrage
je 1 STCK
Preis und Verfügbarkeiten nach Anmeldung
auf Anfrage
je 1 STCK
Preis und Verfügbarkeiten nach Anmeldung
auf Anfrage
je 1 STCK
Preis und Verfügbarkeiten nach Anmeldung
auf Anfrage
je 1 STCK
Preis und Verfügbarkeiten nach Anmeldung
auf Anfrage
je 1 STCK
Preis und Verfügbarkeiten nach Anmeldung
auf Anfrage
je 1 STCK
Preis und Verfügbarkeiten nach Anmeldung
auf Anfrage
je 1 STCK
Preis und Verfügbarkeiten nach Anmeldung
auf Anfrage
je 1 STCK
Preis und Verfügbarkeiten nach Anmeldung
auf Anfrage
je 1 STCK
Preis und Verfügbarkeiten nach Anmeldung
auf Anfrage
je 1 STCK
Preis und Verfügbarkeiten nach Anmeldung
auf Anfrage
je 1 STCK
Preis und Verfügbarkeiten nach Anmeldung
auf Anfrage
je 1 STCK
Preis und Verfügbarkeiten nach Anmeldung
auf Anfrage
je 1 STCK
Preis und Verfügbarkeiten nach Anmeldung
auf Anfrage
je 1 STCK
Preis und Verfügbarkeiten nach Anmeldung
auf Anfrage
je 1 STCK
Preis und Verfügbarkeiten nach Anmeldung
auf Anfrage
je 1 STCK
Preis und Verfügbarkeiten nach Anmeldung
auf Anfrage
je 1 STCK
Preis und Verfügbarkeiten nach Anmeldung
auf Anfrage
je 1 STCK
Lieferdetails
Angaben zur Marke
Maico
Hersteller
MAICO Elektroapparate-Fabrik GmbH Steinbeisstraße 20 78056 Villingen/Schwenningen Deutschland info@maico.de