Abbildung ähnlich
Breuer & Schmitz

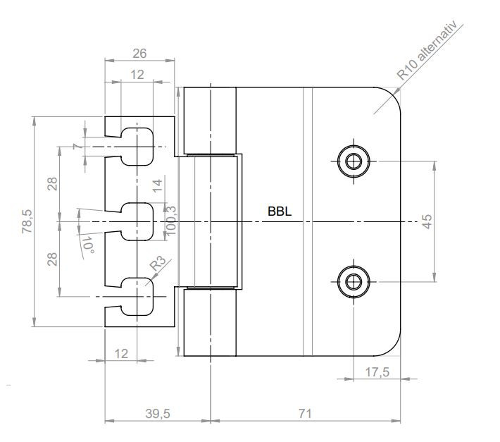
Glastürband OfficeLine 060-50/100mm kantig Edelstahl

10510973 600501000000621
auf Anfrage
je 1 Stück
Preis und Verfügbarkeiten nach Anmeldung

Folgeartikel

Dieser wird automatisch Ihrem Warenkorb hinzugefügt.

Verkaufsdaten

Mindestbestellmenge 1 Stück
Bestellschritt 1 Stück

Beschreibung

Dreiteiliges Glastürband für Ganzglastüren an stumpfen Zargen mit Zargenkonstruktionen VZX (VX) DIN links und rechtsHohe Tragkraft durch wartungsfreie Gleitlagerung Höhe: 100mm Material: 3mm Rollendurchmesser: 20mm Glassstärke: 8/10mm Belastungswert: 80kg