Abbildung ähnlich
Geberit

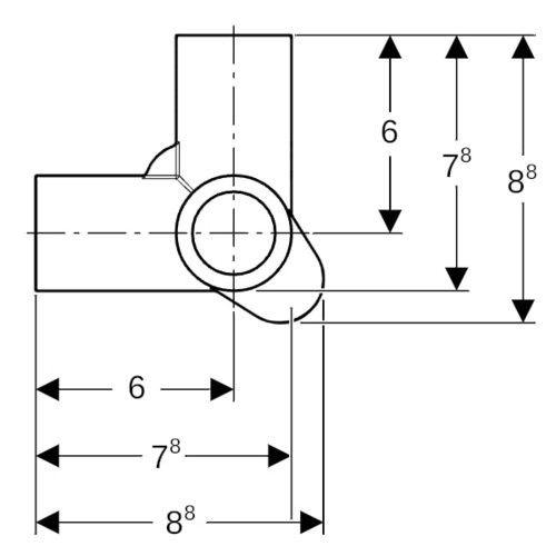
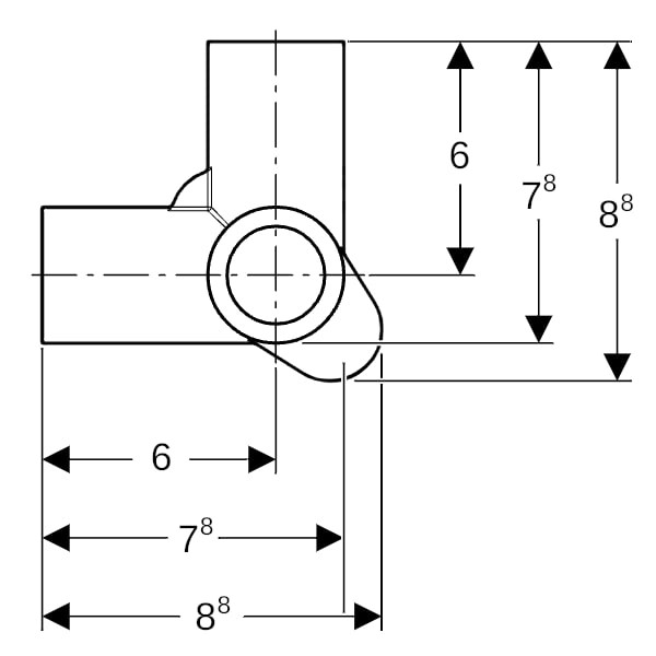
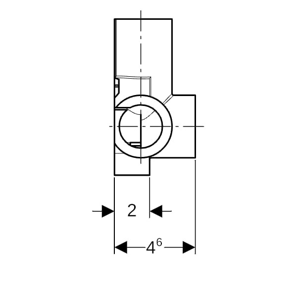
Geberit Schalldämmset zu Mapress Eckanschlusswinkel 90°, EPDM

10175060 601824001
auf Anfrage
je 1 STCK
Preis und Verfügbarkeiten nach Anmeldung

Folgeartikel

Dieser wird automatisch Ihrem Warenkorb hinzugefügt.

Verkaufsdaten

Mindestbestellmenge 1 STCK
Bestellschritt 1 STCK

Beschreibung

mit Schalldämmkappe und Schalldämmunterlage

Merkmale

Produktklasse Zubehör/Ersatzteile für Fittinge
Internet Link https://catalog.geberit.de/de-DE/601.824.00.1.html
Werkstoff Kunststoff