Abbildung ähnlich
ASW

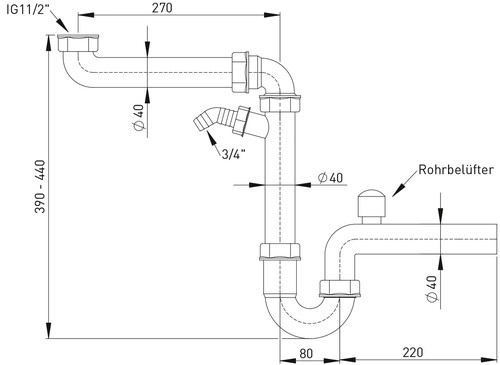
ASW Raumspargeruchsverschluss 1 1/2" x 40 mm, PP weiß, mit Rohrbelüfter und Schlauchanschluss einfach

2816429 112490
auf Anfrage
je 1 STCK
Preis und Verfügbarkeiten nach Anmeldung

Folgeartikel

Dieser wird automatisch Ihrem Warenkorb hinzugefügt.

Verkaufsdaten

Mindestbestellmenge 1 STCK
Bestellschritt 1 STCK

Beschreibung

Merkmale

Produktklasse Geruchsverschluss für Waschtisch
Serie ASW
Farbe weiß
Werkstoff Polypropylen (PP)
Form P-Siphon
Mit Rosette nein
Rohraußendurchmesser Abflussrohr 40 mm
Stopfengröße Ablaufstopfen 1 1/2 Zoll
Nenngröße Ablauf DN 40