Abbildung ähnlich
JuNie

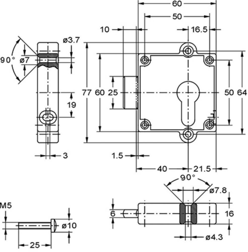
7407.40002 Riegelschloss PZ, 40mm vernickelt JuNie

10812828
auf Anfrage
je 1 STÜCK
Preis und Verfügbarkeiten nach Anmeldung

Folgeartikel

Dieser wird automatisch Ihrem Warenkorb hinzugefügt.

Verkaufsdaten

Mindestbestellmenge 1 STÜCK
Bestellschritt 1 STÜCK

Beschreibung

Riegelschloss Nr. 7407

• Kasten Metall vernickelt

• Rechts/links verwendbar

• Zylinder axial verstellbar

• Din rechts und Din links verwendbar

• Zylinderbefestigungn durch Schraube

• PZ gelocht

• Anschraub-Ösen für Schlüsselschilder 7424 und 7425 (ohne Abbildung)

Zubehör inklusive:

1 x 2572 Schließwinkel

1 x 7422 Stulpschraube für Profilzylinder






















Hersteller: Jul. Niederdrenk GmbH & Co. KG , Zum Papenbruch 12, 42553 Velbert, DE, +4920534980, info@junie.de

Merkmale

Ausführung Dornmaß 40 mm