Abbildung ähnlich
Wilo

Wilo Gegenflanschkit DN 65, 6,0 bar

4955416 2105582
auf Anfrage
je 1 STCK
Preis und Verfügbarkeiten nach Anmeldung

Folgeartikel

Dieser wird automatisch Ihrem Warenkorb hinzugefügt.

Verkaufsdaten

Mindestbestellmenge 1 STCK
Bestellschritt 1 STCK

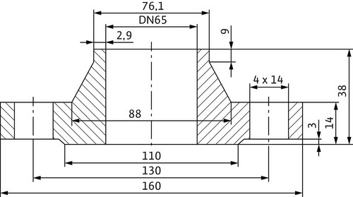
Beschreibung

Zwei Vorschweißflansche aus Stahl nach DIN-EN 1092-1 Typ 11, mit Ansatz zum Anschweißen an Rohre, Dichtungen und Schrauben, Muttern für die Flanschverbindungen

Merkmale

Produktklasse Mechanisches Zubehör/Ersatzeile Pumpen
Modell Gegenflanschkit
Länge 160 mm
Breite 160 mm
Höhe 38 mm
Internet Link https://wilo.com/quick/de/de/articleNumber/2105582
Werkstoff Edelstahl